公司简介
微波器件器件供应商
产品型号 | KS40308012 |
频率范围 | 8 to 12 GHz |
驻波 | 1.5 Typ. ; 2.0 Max. |
隔离度 | 70 dB Min ; |
插入损耗 | 2.5 dB Typ. ; 3.0 dB Max. |
RF 输入功率 | 20 dBm |
偏置电流 (+5V /-5V) | 100 / 75 mA |
切换时间 | 50 ns |
连接器 | SMA (F) |
特性阻抗 | 50Ω |
表面处理 | 镀金 |
材料 | 铝 |
封装形式 | 密封(导电胶密封) |
重量 | 0.04 kg |
工作温度 | -45 to +85℃ |
储存温度 | -55 to +125℃ |
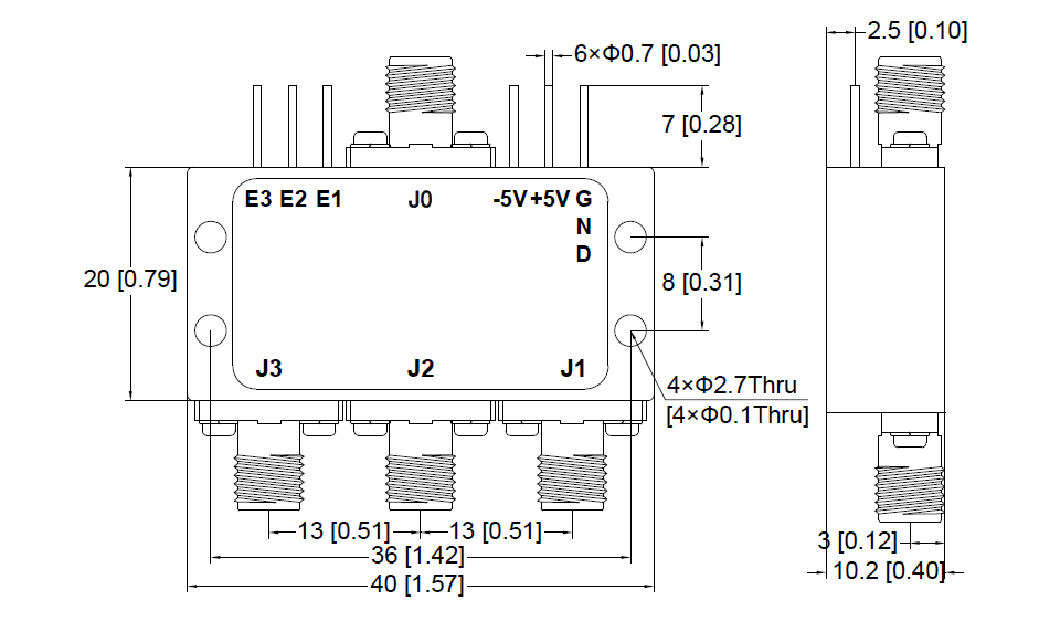
l 参考尺寸:(单位:mm)

l 真值表:(“0”=ON ; “1”=OFF)
Control TTL Input | Signal Path State | ||
E3 | E2 | E1 | |
1 | 1 | 0 | J0-J1 |
1 | 0 | 1 | J0-J2 |
0 | 1 | 1 | J0-J3 |