公司简介
微波器件器件供应商
产品型号 | KS401000060 |
频率范围 | 0.01 to 6 GHz |
驻波 | 1.8 Typ. ; 2.0 Max. |
隔离度 | 60 dB Min.; 70 dB Typ. |
插入损耗 | 2.0 dB Typ. ; 2.5 dB Max. |
RF 输入功率 | 30 dBm |
偏置电流 (+5V /-5V) | 100 / 50 mA |
上升/下降沿 | 120 ns Typ.; 150 ns Max. |
连接器 | SMA (F) |
特性阻抗 | 50 Ω |
表面处理 | 镀镍 |
材料 | 铝 |
重量 | 0.02 kg |
工作温度 | -40 to +85℃ |
储存温度 | -55 to +125℃ |
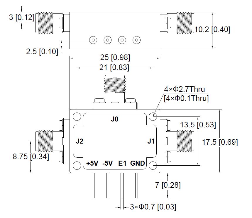
l 参考尺寸:(单位:mm)

l 真值表:
Control TTL Input | Signal Path State |
E1 | |
0 | J0-J1 |
1 | J0-J2 |